您当前的位置: 主页 > 设备配套 > 综合部分 > ZA/Z型系列隔振器

ZA/Z型系列隔振器

更新时间:2017-12-11   访问统计:85

ZA型系列隔振器


 

【点击查看大图】

ZA型系列隔振器主要规格和技术数据

型  号 Φ1 Φ2 Φ3 A1 A2 H H1 M 重量(kg)
ZA-39 104 82 13.5 172 135 39 5 16 0.60
ZA-49 144 115 14.5 212 182 49 5 16 1.15

型号-规格 载荷范围(N) 垂向静变形(mm) 垂向固有频率(Hz) 阻尼比(C/Cc) 工作温度 (°C)
ZA-39-40 900~1500 1.0~3.0 13~17 0.08 -40~+70
ZA-39-50 1500~2500 1.0~3.0 13~17 0.08 -40~+70
ZA-39-60 2500~4000 1.0~3.0 13~17 0.08 -40~+70
ZA-39-70 4000~6400 1.0~3.0 13~17 0.08 -40~+70
ZA-49-40 2500~5500 3.8~8.0 8.5~10 0.08 -40~+70
ZA-49-50 5500~7500 2.0~5.7 9.5~14 0.08 -40~+70
ZA-49-60 7500~10000 2.4~5.5 10~15 0.08 -40~+70
ZA-49-70 10000~12000 2.3~4.5 11~15 0.08 -40~+70

适用范围:主要应用于风力发电机、水泵、中小型柴油发电机等设备的减振,适用范围广,减振效果好。产品变形量可根据客户要求定制。

产品详细介绍参见公司官方网站:http://www.wxqiyao.com/product.asp?Plt=52&Pone=104

ZA型系列隔振器

当前位置:首页 > 产品展示

 

【点击查看大图】

ZA型系列隔振器主要规格和技术数据

型  号 Φ1 Φ2 Φ3 A1 A2 H H1 M 重量(kg)
ZA-39 104 82 13.5 172 135 39 5 16 0.60
ZA-49 144 115 14.5 212 182 49 5 16 1.15

型号-规格 载荷范围(N) 垂向静变形(mm) 垂向固有频率(Hz) 阻尼比(C/Cc) 工作温度 (°C)
ZA-39-40 900~1500 1.0~3.0 13~17 0.08 -40~+70
ZA-39-50 1500~2500 1.0~3.0 13~17 0.08 -40~+70
ZA-39-60 2500~4000 1.0~3.0 13~17 0.08 -40~+70
ZA-39-70 4000~6400 1.0~3.0 13~17 0.08 -40~+70
ZA-49-40 2500~5500 3.8~8.0 8.5~10 0.08 -40~+70
ZA-49-50 5500~7500 2.0~5.7 9.5~14 0.08 -40~+70
ZA-49-60 7500~10000 2.4~5.5 10~15 0.08 -40~+70
ZA-49-70 10000~12000 2.3~4.5 11~15 0.08 -40~+70

适用范围:主要应用于风力发电机、水泵、中小型柴油发电机等设备的减振,适用范围广,减振效果好。产品变形量可根据客户要求定制。

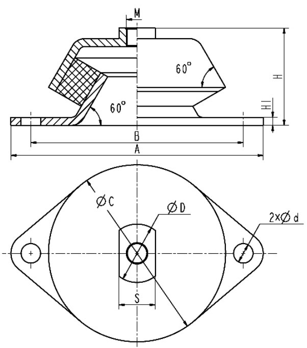
Z型系列隔振器

 


【点击查看大图】

 


Z型系列隔振器主要规格和技术数据


型号 M A B C D S H H1 d
Z1 12 120 95 75 30 19 40 3 12
Z2 16 170 140 115 40 28 58 4 14
Z3 20 225 185 155 50 36 75 5 18
Z4 22 250 210 180 55 40 90 7 20
Z5 24 285 240 200 66 41 110 9 22

型号 垂向额定 
载荷(kN)
垂向额定载荷 
下静变形(mm)
垂向额定载荷下 
固有频率(Hz)
重量 
(kg)
Z1 1.0 ~3 ~12 0.33
Z2 2.0 ~5 ~10 0.90
Z3 3.5 ~7 ~9 2.35
Z4 6.0 ~8.5 ~8 4.25
Z5-A 10.0 10±1.5 7±1.0 6.10
Z5-B 20.0 10±1.5 7±1.0 6.10
Z5-C 25.0 10±1.5 7±1.0 6.10
适用范围:三向等频,可广泛应用于各种机械、仪表、机床、设备、动力机械等方面。

 

  • 在线询价
  • 欢迎使用在线询价系统,销售人员将很快给您报价!
企业联系方式